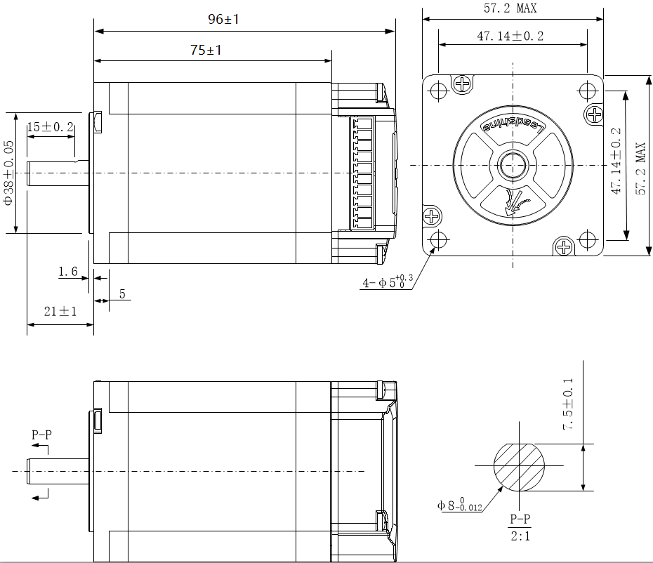
iEM-2323

Integrated Stepper Motors

Artikelnummer: iEM-2323 Kategorie:

Beschreibung

iEM series is KOCO stepper motor integrated a digital stepper drive. It implements advanced control algorithm of KOCO based on its tens of years’ experience in stepper and servo controls. At very compact size can save mounting space, eliminate motor wiring time, reduce interference, and cut/reduce cable and labor costs.
The iEM series are reliable and affordable and performs excellent in many industrial applications such as CNC, 3D printer, stage equipment, medical, electronics, packaging…