Beschreibung
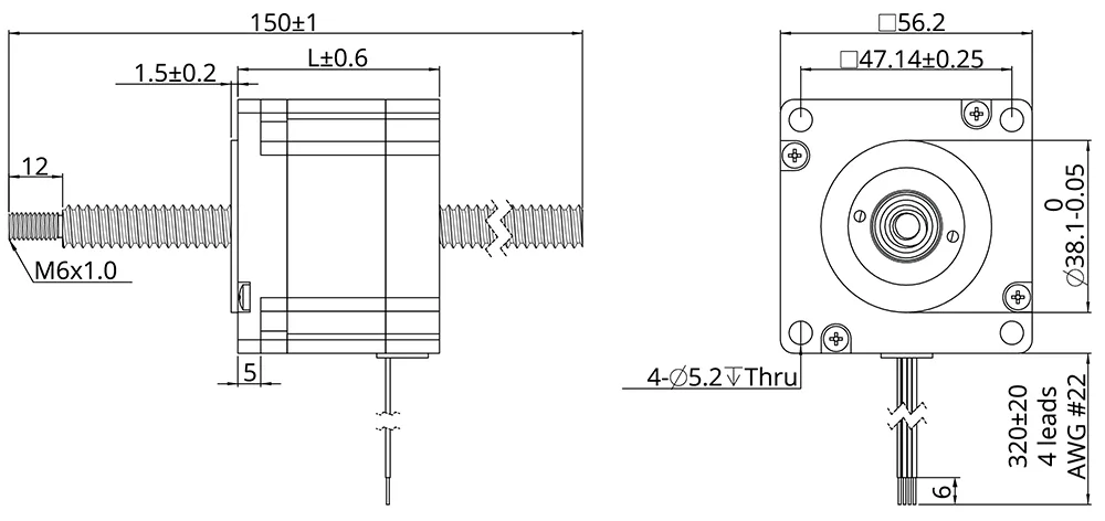
SLSLA – Size 23 [57mm] Stepper Lead Screw Linear Actuators are engineered for demanding applications requiring high force, extended duty cycles, and versatile mounting options. Supporting load capacities up to 910N, these actuators combine robust construction with high precision motion control, making them suitable for advanced industrial automation and precision positioning tasks.
- Form Factors: Available in External, Non-Captive, Captive (Electrical Cylinder), and Kaptive types for maximum application flexibility.
- Lead Screw Specifications:
- Multiple lead codes (A, D, F, H, K, L, P, R, S, V, W, X, Y, Z, G, E, C, I) with pitch options from 0.635 mm up to 25.4 mm
- Screw diameter: 9.525 mm (10 and 12 mm variants available for select codes)
- Travel per 1.8° step: 3.2 µm to 127 µm
- Left-hand thread and anti-backlash nut options for enhanced precision
- Advanced Options:
- EK2/EK3 encoder feedback
- Single/Double stack motor options
- Teflon coating and multiple screw end machining types (threaded, smooth, customized)
- Power-off brake for increased safety
- Applications: Automation, medical devices, semiconductor equipment, industrial machinery, and any application requiring precise and repeatable linear actuation in a compact, 57mm footprint.
With extensive configuration options, high load capacity, and superior repeatability, the SLSLA Size 23 family provides reliable, customizable linear motion solutions for performance-critical environments.




External Anti-Backlash Nut
EK4 Encoder
Non-Captive Anti-Backlash Nut
KPL56 Encoder
EK2 Encoder
EK3 Encoder
Non-Captive Actuator