Beschreibung
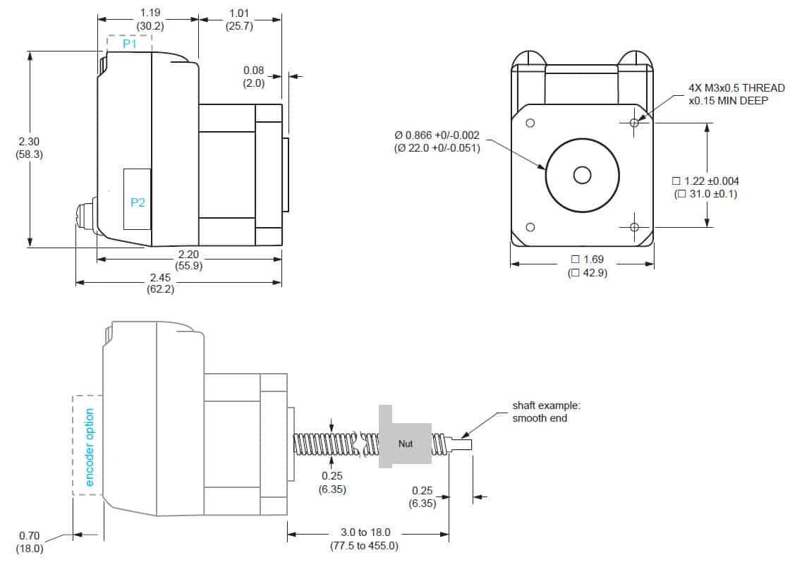
MDrive Plus NEMA size 17 (42 mm) integrated stepper motor linear actuator. This is a Programmable Motion Control with RS422/485 communications interface for programming and control using MCode, a simple mnemonic language for MDrive products.
Holding torque range oz-in (N-cm): 23 … 53 (23 … 53)
I/O connector options: Flying Leads, Pluggable
Com connector: IDC, Wire Crimp


