Beschreibung
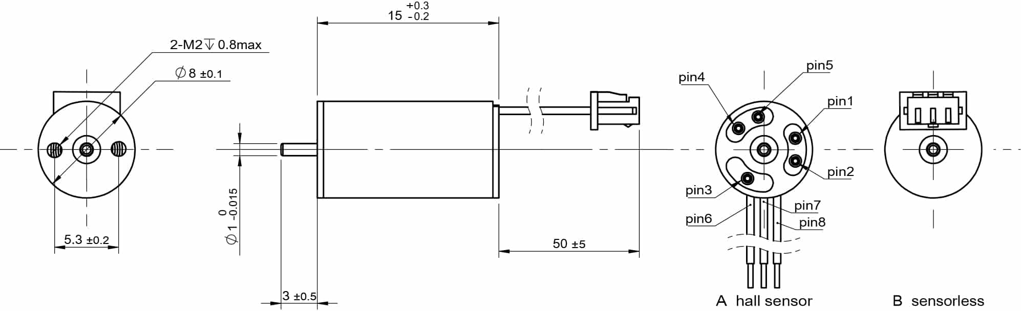
The B0815N2B series comprises advanced 8mm brushless DC (BLDC) motors featuring an inner rotor, slotless, and sensorless architecture. These motors are engineered for compact, high-precision applications requiring ultra-smooth rotation and high efficiency in restricted spaces.
- Technical Features:
- 8mm outer diameter for minimal footprint
- Slotless, sensorless inner rotor design for reduced cogging and exceptionally low noise/vibration
- High energy efficiency and extended operational lifespan
- Options Available:
- Customizable lead wire and shaft lengths
- Specialized coils and gear heads
- Selectable bearing types
- Optional Hall-effect sensors, encoders, and compatible drivers
- Applications:
- Precision drives in medical equipment (e.g., infusion pumps, robotic instruments)
- Industrial automation systems supporting miniature actuation or motion control
The B0815N2B series stands out for its adaptability in high-end precision environments, delivering reliable performance in critical operations where compactness and quiet operation are essential. With a wide range of customization options, this series integrates seamlessly into demanding OEM applications.


