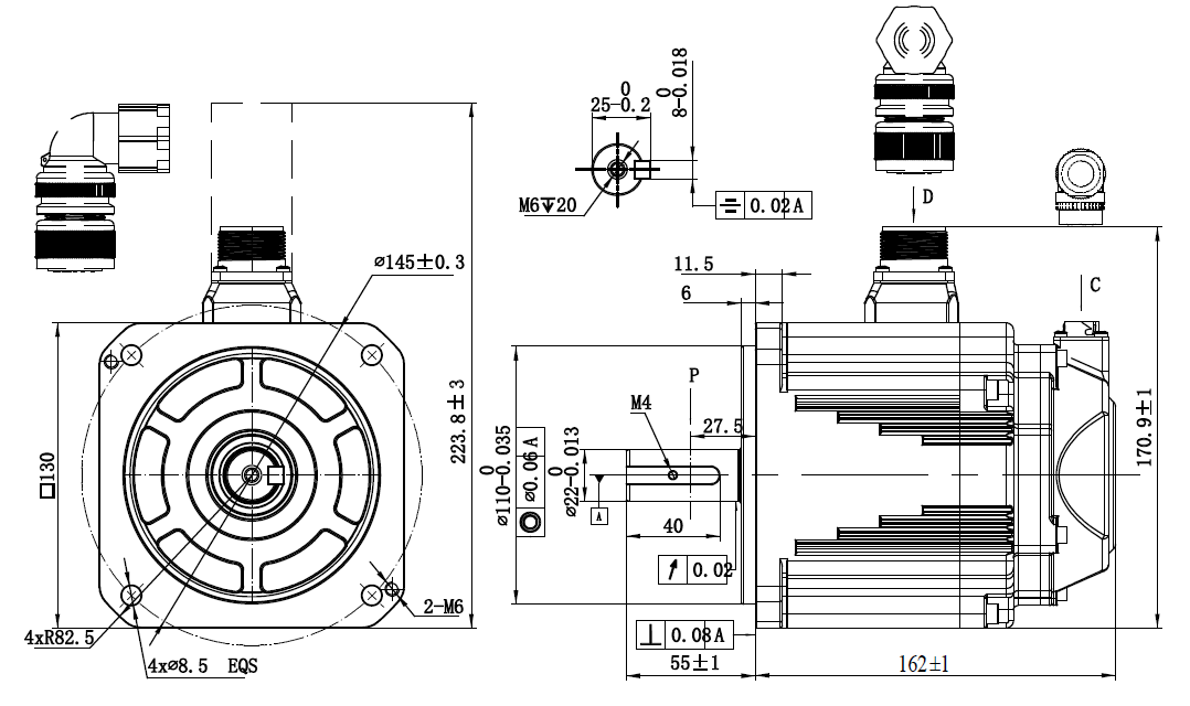
Description
ELM2 Series servo motor with high inertia ratio. The AC servo motors are designed by Leadshine with own intellectual property rights. The servo motors use rare earth neodymium-iron-boron permanent magnet rotors, provide features of high torque density, high peak torques, low noise, low temperature rising, lower current consumption. The motors power range from 50W to 7500W, frame size range from 40mm to 180mm.

