Description
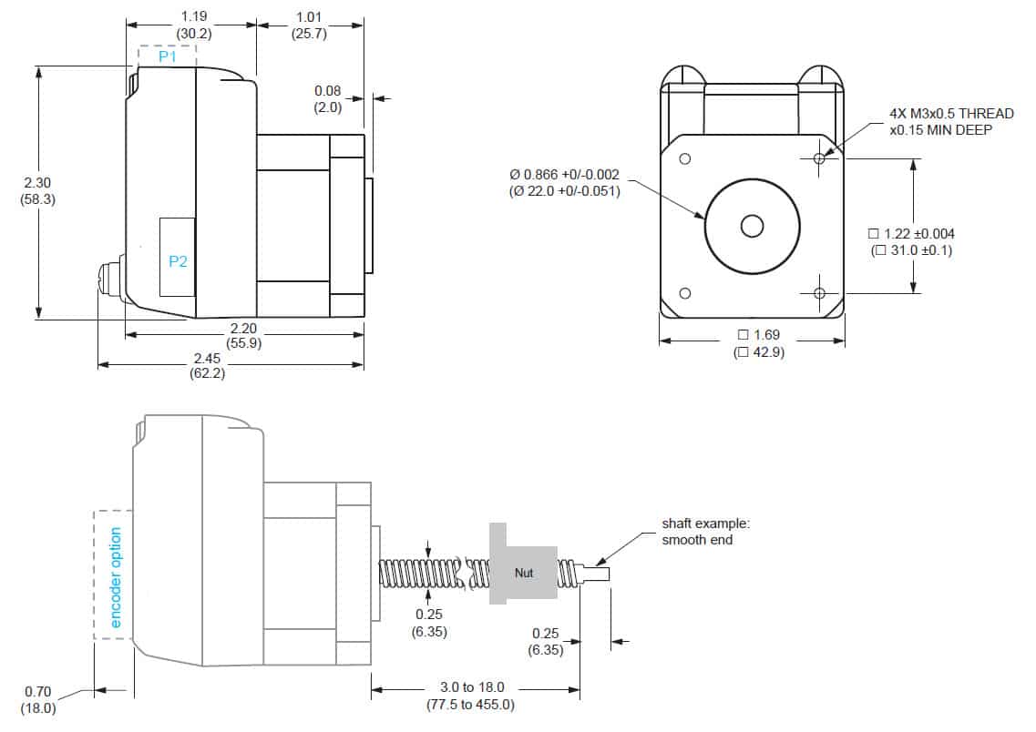
MDrive Plus NEMA size 17 (42 mm) integrated stepper motor linear actuator. This is a CANopen CAN bus 2.0b supporting CiA301 and CiA402.
Holding torque range oz-in (N-cm): 90 …283 (64 … 200)
I/O connector options: Wire Crimp
Com connector: DB9



