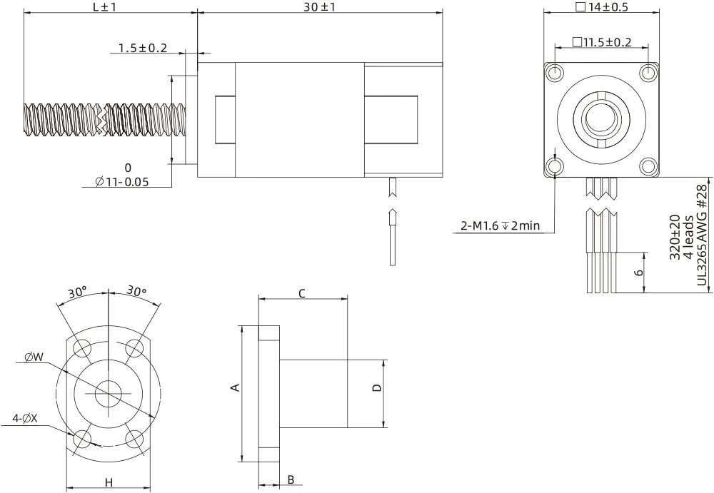
Description
Based on KOCO’s platform products, high precision of lead screw linear actuator and self-developed simple linear module, DSM 14mm series is compact and reliable structure of linear solution.
DSM 14mm Series is good precision, high diversity of optional stroke and lead based customization linear module which can provide customers with integrated customization solutions.




